聯系我們
- 聯系人:郭經理
- 傳真:010-69552656
- 電話:400-0346-119
- 電話:010-57491119
- 郵箱:506665119@qq.com
- 地址:北京通州區M5運河1號3號樓403室
翼捷C630/E氣體檢測儀
時間:2018-11-19 10:23:14 品牌:
![[!--oldtitle--]](/d/file/baojingshebei/2018-11-19/8dc29f0b93874fe25d4d3d99256fdf81.gif)
一、C630/E氣體檢測儀產品概述
C630/E氣體檢測儀是翼捷推出的一款新型氣體檢測產品,其采用優質進口氣敏元器件和翼捷--軟件算法,具有穩定的線性輸出和良好的溫濕度特性,而且顯示清晰,維護方便,適用于工業環境中有毒有害氣體濃度的持續檢測。
二、C630/E氣體檢測儀功能特點
●四總線輸出方式,帶內置編碼。
●采用--零點、溫度補償算法,自動校零,輸出性能優異。
●傳感器可現場更換,維護方便。
●單人磁棒標定,現場操作無需開蓋。
●帶兩圾報警繼電器輸出,可獨立驅動外接設備。
●采用完備的防雷匣抗干擾電路設計,經過嚴格的EMI/EMC測試,自B有效防止過壓和各種電磁干擾。
●ExdⅡCT6防爆等級,適用于1區、2區危險場所。
三、C630/E氣體檢測儀技術規格
| 型號 | C630/E |
| 檢測氣體 | 有毒氣體、氧氣 |
| 檢測原理 | 電化學式、PID式 |
| 顯示方式 | 彩色LED顯示 |
| 測量精度 | 1%±3%F.S(檢測氣體不同,測量精度會有所差異) |
| 漂移 | 零點漂移<3%每年,量程漂移<5%每年 |
| 響應時間 | T90<25S |
| 重復性 | ±3%FS |
| 工作電壓 | 24VDC(電壓范圍18~32V) |
| 功耗 | ≤1W |
| 輸出信號 | 四總線 |
| 報警輸出 | 2路常開繼電器輸出,觸點容量1A@30VDC |
| 操作方式 | 磁棒控制 |
| 工作溫度 | -40℃~+70℃ |
| 存儲溫度 | -25℃~+55℃ |
| 溫度范圍 | 0~95%RH(無凝露) |
| 壓力范圍 | 86kPa~106kPa |
| 防爆認證 | ExdⅡCT6 |
| 防護等級 | IP66 |
| 殼體材料 | 鑄鋁,表面防腐噴塑處理 |
| 電氣接口 | 2XG3/4內螺紋 |
| 重量 | 1.5kg |
| 傳感器壽命 | ≥2年(催化傳感器);≥3年(半導體傳感器);≥2年(紅外) |
| 執行標準 | GB15322.1-2003,GB3836-2010系列標準 |
四、C630/E氣體檢測儀可測有毒氣體列表
| 氣體名稱 | CAS NO | 分子式 | 量程 | 檢測原理 | |
| 一氧化碳 | 630-08-0 | CO | 0~1000ppm | 電化學 | 半導體 |
| 硫化氫 | 7783-06-4 | H2S | 0~100/2000ppm | √ | |
| 氨氣 | 7764-41-7 | NH3 | 0~100/2000ppm | √ | |
| 氧氣 | 7782-44--7 | O2 | 0~30%VOL | √ | |
| 氫氣 | 1333-74-0 | H2 | 0~1000/4000ppm | √ | |
| VOC氣體 | √ | ||||
注:
1、上袁所列僅為常規氣體及量程,未在列表范圍之內的特殊氣體和量程,如需檢測,請向本公司咨詢。
2、上表所述VOC氣體包括300多種苯類、醇類、醛類、胺類、鹵代烴類等含碳有機化合物及部分氨、砷、硒、溴、碘類無機氣體。
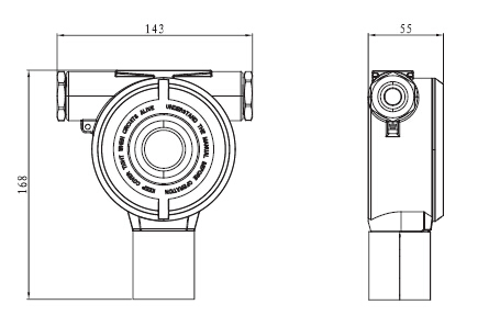
五、C630/E氣體檢測儀外形尺寸圖(單位:mm)

C630/E氣體檢測儀外形尺寸
六、C630/E氣體檢測儀安裝支架圖(單位:mm)

C630/E氣體檢測儀安裝支架圖
七、C630/E氣體檢測儀安裝安裝方式圖示

C630/E氣體檢測儀安裝安裝方式
八、C630/E氣體檢測儀產品組件

C630/E氣體檢測儀產品組件







